Part Number : ACM1602A
Function : 0.0-6.5V; 5x7dots with cursor; 16characters x 2lines; dot size0.55×0.65mm; AZ display
Manufacturer : AZ Displays
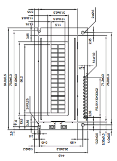
Pinout :
Description
ACM1602A SERIES LCD MODULE
* Number of Characters : 16 characters x 2 line
* Character Format : 5 x 7 dots with cursor
* Overall Module Size (W x H x D) : 84.0x 44.0x max 14.5for LED backlight version
84.0x 44.0x max 9.5for reflective or EL backlight version
* Dot Size (W x H) :0.55x 0.65
* Dot Pitch (W x H) :0.60x 0.70
* Duty :1/16
* Controller :IC KS0066
* LC Fluid :Options STN
* Polarizer Options :Reflective, Transflective, Transmissive
* Backlight Options :EL, LED
* Temperature Range Options : Standard, Wide temp
Datasheet PDF Download
Other datasheets in the file :
ACM1602A,ACM1602A-FEBD-T,ACM1602A-FEBS-T,ACM1602A-FEFD-T,ACM1602A-FEFS-T
