Part Number : AAA3528EMBSGC
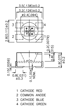
Function : 3.5 x 2.8 mm surface mount LED lamp. High efficiency red (peak wavelength 627 nm).Super bright green (peak wavelength 565 nm). Blue (peak wavelength 430 nm). Lens type water clear.
Manufacturer : Kingbright
Pinout :
Description
The High Efficiency Red source color devices are made with Gallium Arsenide Phoshide on Gallium Phosphide Orange Light Emitting Diode.

