Part Number : A1537
Function : 2SA1537/2SC3952 / High-Definition CRT Display Video Output Applications / TO-126ML Package
Manufacturer : SANYO -> Panasonic
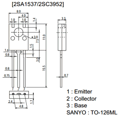
Pinout :
Description
· High-definition CRT display video output, wide-band amplifier.
Features
· High fT: fT=700MHz.
· High breakdown voltage : VCEO=70Vmin.
· Small reverse transfer capacitance and excellent high-frequency characteristic :
Cre =3.1pF/NPN, 4.8pF/PNP.
· Complementary PNP and NPN types.
· Adoption of FBET process.
· Micaless type.
Datasheet PDF Download
Other datasheets in the file :
2SA1537,2SC3952,A1537,C3952

