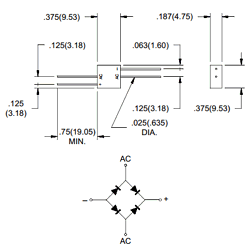
Part Number : A0111
Function : 1.4 A – 1.5 A Forward Current 70 ns – 3000 ns Recovery Time
Manufacturer : Voltage Multipliers Inc
Pinout :
Description

Datasheet PDF Download
Other datasheets in the file :
1102A,1102FA,1102UFA,1106A,1106FA
