Part Number : 74LS848
Function : 8-INPUT PRIORITY ENCODERS WITH 3-STATE OUTPUTS
Manufacturer : Motorola => Freescale
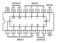
Pinout :
Description
TheSN54/74LS348 and the SN54/74LS848 are eight input priority encoders which provide the 8-line to 3-line function.
Theoutputs (A0–A2) and inputs (0– 7)are active low. The active low input whichhas the highest priority (input 7 has the highest) is represented on the outputs(output A0 is the lowest bit). An example would be if inputs 1, 2 and 4 were low, then a binary 4 would be represented on the outputs.
TheGS (Group Signal) output is active low when any of the inputs are low. It serves to indicate when any of the inputs are active. A0,A1 and A2 are three-state outputs. This allows for up to 64 line expan
sion without the need for special external circuitry.
Datasheet PDF Download
Other datasheets in the file :
54LS848J,74LS848,74LS848D,74LS848N,SN54LS848J
