Part Number : 74HC258
Function : Quad 2-input multiplexer; 3-state; inverting
Manufacturer : NXP Semiconductors.
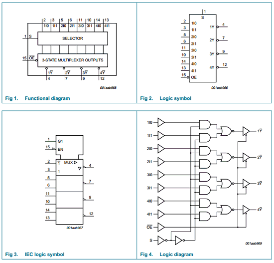
Pinout :
Description
The 74HC258 is a high-speed Si-gate CMOS device and is pin compatible with low power Schottky TTL (LSTTL). The 74HC258 is specified in compliance with JEDEC standard no. 7A.
The 74HC258 has four identical 2-input multiplexers with 3-state outputs, which select 4 bits of data from two sources and is controlled by a common data select input (S).
* 3-state outputs interface directly with system bus
* Low-power dissipation
* Inverting data path
* Complies with JEDEC standard no. 7A
* ESD protection:
– HBM JESD22-A114E exceeds 2000 V
– MM JESD22-A115-A exceeds 200 V
* Multiple package options
* Specified from−40°Cto+85°C and from−40°C to +125°C.
Datasheet PDF Download
Other datasheets in the file :
74HC258,74HC258D,74HC258DB,74HC258N

