Part Number : 74F10
Function : Triple 3-Input NAND Gate
Manufacturer : Fairchild Semiconductor
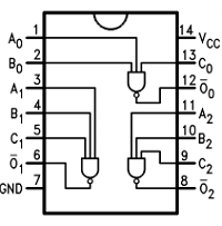
Pinout :
Description
General Description
This device contains three independent gates, each of
which performs the logic NAND function.
1pico = 0.000000000001
Part Number : 74F10
Function : Triple 3-Input NAND Gate
Manufacturer : Fairchild Semiconductor
Pinout :
General Description
This device contains three independent gates, each of
which performs the logic NAND function.