Part Number : 74AC00SCX
Function : Quad 2-Input NAND Gate
Manufacturer : Fairchild Semiconductor
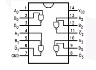
Pinout :
Description
Features
■ ICC reduced by 50%
■ Outputs source/sink 24mA
■ ACT00 has TTL-compatible inputs
General Description
The AC00/ACT00 contains four, 2-input NAND gates
Datasheet PDF Download
Other datasheets in the file :
74AC00CW,74AC00MTC,74AC00MTCX,74AC00PC,74AC00SC
