Part Number : 50J322
Function : IGBT SILICON N CHANNEL MOST TYPE
Manufacturer : Toshiba
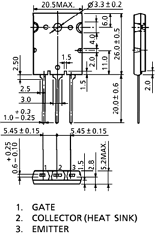
Pinout :
Description
The 4TH Generation
Current Resonance Inverter Switching Applications
. FRD Included Between Emitter and Collector
. Enhancement-Mode

