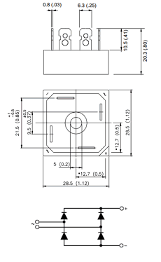
Part Number : 36MB40A
Function : SINGLE PHASE BRIDGE / Power Modules
Manufacturer : International Rectifier
Pinout :
Description
* Universal, 3 way terminals : push-on, wrap around or solder
* High thermal conductivity package, electrically insulated case
* Center hole fixing
* Excellent power/volume ratio
Datasheet PDF Download
Other datasheets in the file :
26MB100A,26MB120A,26MB20A,26MB40A,26MB60A

