Part Number : 2SK1592
Function : N-channel MOS FET
Manufacturer : NEC => Renesas Technology
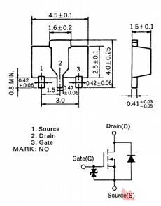
Pinout :
Description
The 2SK1592, N-channel vertical type MOS FET, is a switching device which can be driven directly by the output of ICs having 5V power source.
As the MOS FET has low on-state resistance and excellent switching characteristics, it is suitble for driving actuators such as motors, relays, and solenoids.

