Part Number : 2SK1492
Function : High-withstand-voltage power MOS FET
Manufacturer : NEC => Renesas Technology
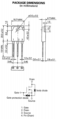
Pinout :
Description
The 2SK1492 is N-channel MOS Field Effect Transistor designed for high voltage switching applications.
1pico = 0.000000000001
Part Number : 2SK1492
Function : High-withstand-voltage power MOS FET
Manufacturer : NEC => Renesas Technology
Pinout :
The 2SK1492 is N-channel MOS Field Effect Transistor designed for high voltage switching applications.