Part Number : 2SK1482
Function : N-CHANNEL / MOS FIELD EFFECT TRANSISTOR
Manufacturer : Renesas Electronics
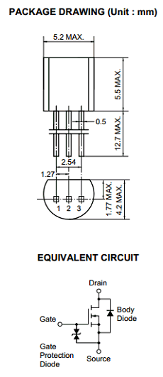
Pinout :
Description
The 2SK1482 is N-channel vertical type MOS FET switching device which can be directly driven from an IC operating with a 5 V single power supply.
The device featuring low on-state resistance is of the voltage drive type and thus is ideal for driving actuators such as motors, solenoids, and relays.


