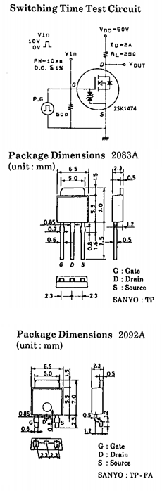
Part Number : 2SK1474
Function : Very High-Speed Switching Applications / Low ON resistance.
Manufacturer : SANYO -> Panasonic
Pinout :
Description
N-Channel MOS Silicon FET
* Low ON resistance
* Very High-speed switching.
* Low-voltage drvie.
Vdss = 100V
Vgss = +- 15V
Id = 4A

