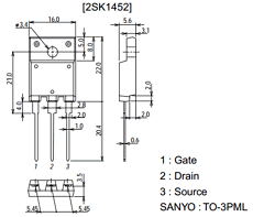
Part Number : 2SK1452
Function : Ultrahigh-Speed Switching Applications
Manufacturer : SANYO -> Panasonic
Pinout :
Description
· Low ON-state resistance.
· Ultrahigh-speed switching.
· Converters.
· Micaless package facilitating mounting.

