Part Number : 2SJ334
Function : P CHANNEL MOS TYPE (HIGH SPEED/ HIGH CURRENT SWITCHING/ DC-DC CONVERTER/ RELAY DRIVE AND MOTOR DRIVE APPLICATIONS)
Manufacturer : Toshiba
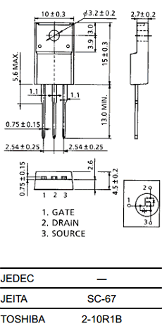
Pinout :
Description
* TOSHIBA Field Effect Transistor Silicon P Channel MOS Type
* DC−DC Converter, Relay Drive and Motor Drive Applications


