Part Number : 2SJ178
Function : P-channel power MOS FET
Manufacturer : NEC => Renesas Technology
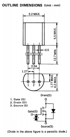
Pinout :
Description
The 2SJ178 is a p-channel vertical type MOS FET switching device which can be directly driven from an IC operating with a 5V single power supply.
The device featuring low ON-state resistance is of the voltage drive type and thus is ideal for driving actuators such as motors, solenoids, and relays.
Datasheet PDF Download
Other datasheets in the file :
2SJ178,2SJ178-T,2SJ178-T/JD,2SJ178-T/JM,2SJ178/JM
