Part Number : 2SD822
Function :iscSilicon NPN Power Transistor
Manufacturer : Unspecified
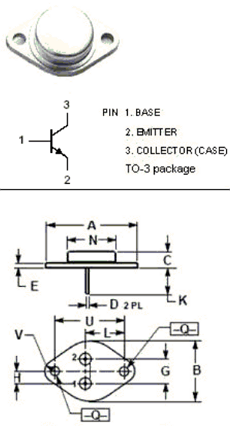
Pinout :
Description
* High Breakdown Voltage- : VCBO= 1500V (Min)
* High Switching Speed
* ·Low Collector Saturation Voltage-
: V CE(sat)= 5.0V(Max.)@ IC= 6A


