Part Number : 2SD2117
Function : General Driver Applications / NPN Epitaxial Planar Silicon Transistor
Manufacturer : SANYO -> Panasonic
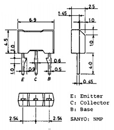
Pinout :
Description
* Darlington connection
* High DC current gain
* Large current capacity, wide ASO

