Part Number : 2SC945
Function : 250mW NPN silicon planar epitaxial transistor
Manufacturer : NEC => Renesas Technology
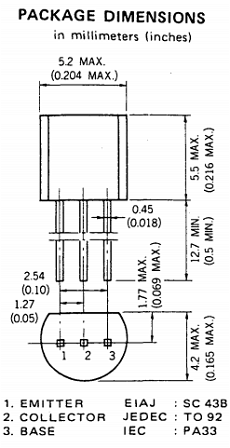
Pinout :
Description
The 2SC945 is designed for use in driver stage of AF amplifier and low speed switching.
1pico = 0.000000000001
Part Number : 2SC945
Function : 250mW NPN silicon planar epitaxial transistor
Manufacturer : NEC => Renesas Technology
Pinout :
The 2SC945 is designed for use in driver stage of AF amplifier and low speed switching.