Part Number : 2SC5177
Function : NPN EPITAXIAL SILICON TRANSISTOR IN MINI-MOLD PACKAGE
Manufacturer : Renesas Electronics
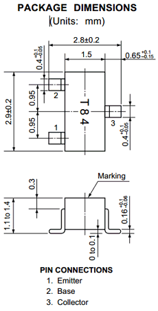
Pinout :
Description
• Low Current Consumption and High Gain
• Mini-Mold package EIAJ : SC-59
• Collector to Base Voltage VCBO : 5V
• Collector to Emitter Voltage VCEO: 3V
• Emitter to Base Voltage VEBO : 2V
• Collector Current IC : 10 mA
• Total Power Dissipation PT 30 mW

