Part Number : 2SC3518-Z
Function : NPN SILICON EPITAXIAL TRANSISTOR / Complement to 2SA1385-Z
Manufacturer : NEC => Renesas Technology
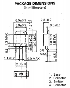
Pinout :
Description
2SC3518-Z is designed for Audio Frequency Amplifier and Swtiching, especially in Hybrid Integrated Circuits.


