Part Number : 2SC3356
Function : NPN transistor for low noise amplifier at VHF, UHF and CATV band
Manufacturer : NEC => Renesas Technology
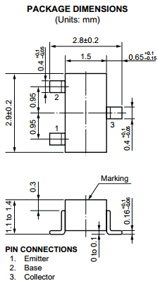
Pinout :
Description
The 2SC3356 is an NPN silicon epitaxial transistor designed for low noise amplifier at VHF, UHF and CATV band.
It has dynamic range and good current characteristic.


