2SC3086 Transistor ( NPN )

Part Number : 2SC3086

Function : 500V/3A Switching Regulator Applications

Manufacturer : SANYO -> Panasonic

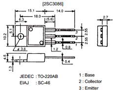
Pinout :

2SC3086 datasheet

Description

· High breakdown voltage (VCBO≥800V).

· Fast switching speed.

· Wide ASO.

Datasheet PDF Download

2SC3086 pdf

Other datasheets in the file :
2SC3086,C3086
Datasheet PDF

This entry was posted in Uncategorized. Bookmark the permalink.