Part Number : 2SC2482
Function :Silicon NPN Epitaxial Type (PCT Process)
Manufacturer : Toshiba
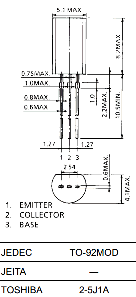
Pinout :
Description
High-Voltage Switching and Amplifier Applications
Color TV Horizontal Driver Applications
Color TV Chroma Output Applications
• High breakdown voltage: VCEO= 300 V
• Small collector output capacitance: Cob= 3.0 pF (typ.)
• Recommended for chroma output and driver applications for line-operated TV horizontal.
2SC2482 Datasheet PDF Download
Other datasheets in the file : C2482

