Part Number : 2SC2055
Function : NPN Epitaxail Planar Type
Manufacturer : MITSUBISHI ELECTRIC
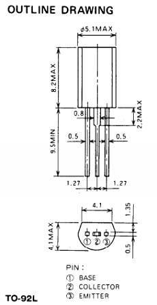
Pinout :
Description
2SC2055 is a silicon NPN epitaxial planar type transistor designed for RF amplifiers on VHF band portable or hand-held radio applications.

