Part Number : 2SC1841
Function : NPN Silicon Transistor
Manufacturer : NEC => Renesas Technology
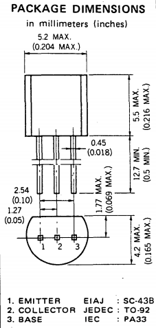
Pinout :
Description
The 2SC1841 is designed for use in AF amplifier, driver and low speed switching.
* High Voltage Vceo = 120V
1pico = 0.000000000001
Part Number : 2SC1841
Function : NPN Silicon Transistor
Manufacturer : NEC => Renesas Technology
Pinout :
The 2SC1841 is designed for use in AF amplifier, driver and low speed switching.
* High Voltage Vceo = 120V