Part Number : 2SA1968
Function : High-Voltage Amplifier, High-Voltage Switching Applications
Manufacturer : SANYO -> Panasonic
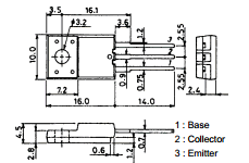
Pinout :
Description
Features
– High breakdown voltage (Vceo min=–900V).
– Small Cob(Cob typ=2.2pF).
– High reliability (Adoption of HVP process).
– Package of full isolation type.

