Part Number : 2SA1962
Function : TRANSISTOR (HIGH VOLTAGE SWITCHING APPLICATIONS)
Manufacturer : Toshiba
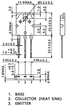
Pinout :
Description
• High breakdown voltage: VCEO= −230 V (min)
• Complementary to 2SC5242
• Recommended for 80-W high-fidelity audio frequency amplifier output stage.
Datasheet PDF Download
Other datasheets in the file :
2SA1962,2SA1962-O,2SA1962-O(Q),2SA1962-O(Q,T),A1962

