Part Number : 2P4M
Function :2A PLASTIC MOLDED THYRISTOR
Manufacturer : NEC => Renesas Technology
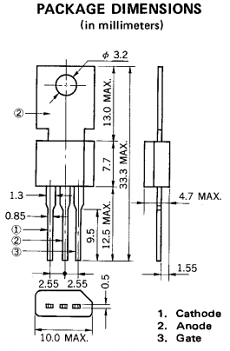
Pinout :
Description
The 2P4M and 2P6M are a P gate all diffused mold type Thyristor granted 2 A On-state Average Current (TC= 77°C), with rated voltages up to 600 V.
• Easy installation by TO-202AA package.
• Less holding current distribution provides free application design.

Datasheet PDF Download
Other datasheets in the file : 2P4M,2P4MP16,2P5M,2P6M,NEC2P4MP16
