Part Number : 2MBI100NB-120
Function : 2-Pack IGBT 1200V 75A
Manufacturer : Fuji Electric
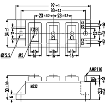
Pinout :
Description
IGBT MODULE ( N series )
Features
• Square RBSOA
• Low Saturation Voltage
• Less Total Power Dissipation
• Improved FWD Characteristic
• Minimized Internal Stray Inductance
• Overcurrent Limiting Function (4~5Times Rated Current)
Applications
• High Power Switching
• A.C. Motor Controls
• D.C. Motor Controls
• Uninterruptible Power Supply
Datasheet PDF Download
Other datasheets in the file :
2MBI100NB-120,2MBI100NC-120,2MBI100NE-120,2MBI150N-060,2MBI150N-120
