Part Number : 1N1125
Function : 12A,100V-1200V standard recovery rectifier in DO-4 package.
Manufacturer : Microsemi Corporation
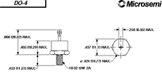
Pinout :
Description
| Electrical Rating | Symbol | Min | Typ | Max | Unit |
|---|---|---|---|---|---|
| Forward Voltage | VF | 1.20 | V | ||
| Reverse Current | IR | 10.00 | µA |
| Maximum Electrical Rating | Symbol | Min | Typ | Max | Unit |
|---|---|---|---|---|---|
| Forward Current (Surge Peak) | IFSM | 200.00 | A | ||
| Output Current | IO | 3.00 | A | ||
| Working Peak Reverse Voltage | VRWM | 300.00 | V |

