Part Number : 015Z2.0
Function : Diode Silicon Epitaxial Planar Type
Manufacturer : Toshiba
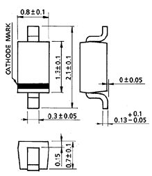
Pinout :
Description
Small Package, Nominal Voltage tolerance about +-2.5%(2.0V ~ 12V)
Datasheet PDF Download
Other datasheets in the file :
015Z10,015Z11,015Z12,015Z2.0,015Z2.2
